PRODUCTOS
Ferrocarril lineal y deslizador
Carro y deslizador
Ferrocarril Lineal
Limpiador de guías de ferrocarril lineal
Sistema de lubricación
Engranaje de cremallera y piñón
Protección de máquinas herramienta
Cubiertas de fuelle de máquina CNC
Cubiertas de fuelle de máquina láser
Cubiertas telescópicas de acero
Portaherramientas y pinza
Cabeza angular
cabeza aburrida
Cabezal de fresado
tirador
Banco de herramientas
Portaherramientas
Soporte portaherramientas
Abrazadera portaherramientas
Bolsillo portaherramientas
Gabinete de almacenamiento portaherramientas
Motores y Drivers
Caja de cambios
Servomotores y controladores
Motores paso a paso y controladores
Huso
Anillo de agua
Indicador de flujo de agua
Tapón de husillo
Ventiladores de husillo
Varilla de extensión del husillo
Cubierta antipolvo del husillo
cabos
Cepillar
Sistema de niebla de pulverización de aceite
Husillo cambiador automático de herramientas
Husillo de refrigeración por agua
Husillo de refrigeración por aire
Controlador CNC
Enfriador de agua
Bomba de vacío y accesorios
dispositivo rotatorio
centro rotatorio
Dispositivo rotativo de 5 ejes
Dispositivo rotativo de 4 ejes
Collet Chuck y Tuercas
Software de diseño
ucancam
cámara rápida
Starcam
Piezas eléctricas
Piezas de corte por láser de fibra
Ventanas protectoras
Panel de control remoto láser
Boquilla de corte por láser
Cabezal de limpieza láser
Lente de colimación de enfoque
Cabezal de corte por láser de fibra
Anillo de cerámica
Sensor de capacitancia
Amplificador
Piezas de corte por láser de CO2
Espejos
Soporte de lentes y espejos
Soporte de tubo láser
Fuente de alimentación láser
Lente de enfoque
Mesas Láser
Mesa óptica
Mesa de máquina de marcado láser
Mesa de nido de abeja y cuchillas
TALLER
ALMACÉN DE ULTRAMAR
PAGO E IMPUESTOS
VIVIDINA
SOBRE NOSOTROS
CONTÁCTENOS
‹
›
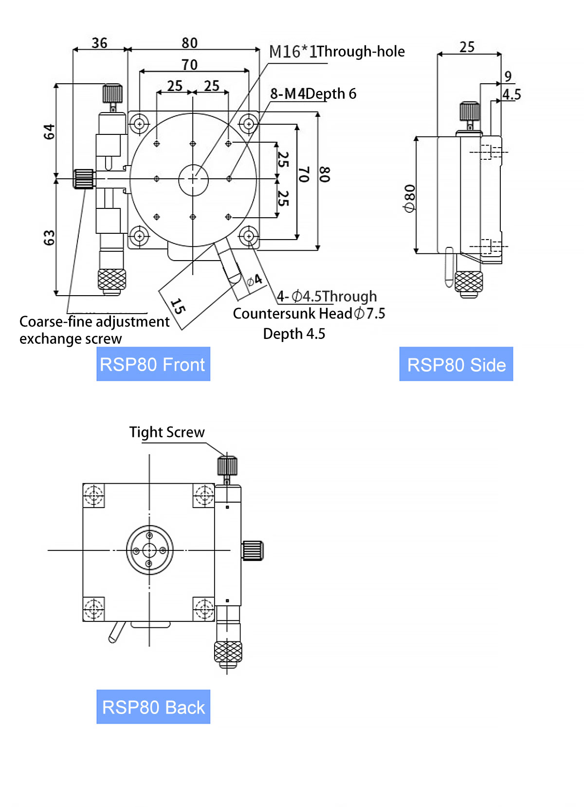
La diferencia entre RS y RSP es diferente precisión
CONSULTA PROFESIONAL
Si está interesado en nuestros productos y desea conocer más detalles, deje un mensaje aquí, le responderemos tan pronto como podamos.